航空写真で楽しむ全国廃線マップ : 予土線


大きな地図を別ウインドウで開く

■基本データ
路線名  : 予土線
廃止区間 : 務田 - 宇和島 (旧線区間)
運営   : 国鉄
営業キロ : 8.0km
廃止日  : 1941/07/02
途中駅数 : 3

■路線データ作成要領
戦前に廃止された古い旧線区間であり、いざ取り掛かってみて、当時の状況を知る手掛かりに非常に乏しいことを突き付けられた。
 
まず、この区間に相当する路線データは、国土交通省の「鉄道時系列データ」には含まれていないようだ。 国交省のデータには、「予土線」として登録されたレコードのほか、その前身の「宇和島線」名のレコードも2件あるのだが、それらの線形は全て同一で現行線の位置を示したものでしかなく、廃止区間について知る手掛かりにはならなかった。 そして航空写真も、このエリアで公開されているのは最も古いものでも1961-1969年という、廃止からかなりの年数を経たものだからか、画像のどこにも路線跡らしい痕跡が一切認められず、その位置を写真から探ることも困難だった。
 
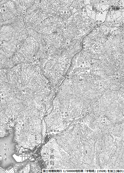
こうなると頼れるのは過去の地形図しかないが、こちらも精度に勝る1/25000の縮尺のものが戦前には発行されていなかったエリアで、見つけられたのは縮尺が1/50000という少々粗い図版のものだけとなる。 それでも、「宇和嶋」(1933) および「宇和嶋」(1928) という2つの年代の図版にこの廃止区間が描かれていることが分かり、それらを入手して最小限のお膳立てはどうにか整ったかに思われた。
(まずは新しいほうをと入手してみた1933年版には、なぜか下村駅が描かれておらず、1世代前の1928年版には下村駅が描かれていたというのが、同じエリアの2つの版を重複して入手した経緯である)
 
右がそれらの地形図で、デフォルトで古いほうの「宇和嶋」(1928) を表示し、画像にマウスを合わせた時に新しいほうの「宇和嶋」(1933) に表示が切り替わる。 2つの図版で鉄道の線形を比べてみると、ほぼ一貫した書かれ方をしていて、違いは画像下部の宇和島駅付近に少し見られる程度だから、それなりに信憑性がありそうに感じられる。
  ※ページレイアウトの都合上大幅に縮小したため、下記のリンクから少し大きな画像も見られるようにした
    (原寸に近い大きさでの公開は許されないので、それでもサイズをかなり抑えているが)
      ・「宇和嶋」(1928) の少し大きな画像
      ・「宇和嶋」(1933) の少し大きな画像
 
地形図を入手したら、ほかの路線の時と同じ手順で、ソフトウェア「カシミール3D」に「宇和嶋」(1928) の画像を取り込み、周辺の三角点を3箇所選んで位置合わせを行う (それらの三角点を含めるため、実際に使用した地形図の範囲は、ここで公開しているものよりも少し広めのものになっている)。
位置合わせ後は、地形図中の線路をマウスでなぞって「ルートの作成」を行えば、路線データの試作版(=叩き台)は作成完了だ。
 
続いて精度の向上を図るため、画面表示を「入手した地形図」から「最新の地形図」や「最新の航空写真」に変えて、現行線との接続点だったり、(もしあれば)現在まで遺構が残る箇所などで、 作成した路線データがきれいに重なるよう微調整をすれば、出来上がるというイメージなのだが、表示をまず「最新の地形図」に変えた時に愕然としてしまった。
ほぼ1/50000地形図に見られる通りに作ったつもりのデータなのに、山の中を平気で貫いていたりする、およそ鉄道ではあり得ない線形になっているではないか。
 
上のマップで、初期状態では表示がオフになっている「路線の表示(5万地形図(写))」にチェックを入れた時、赤色の細実線で表示されるのが、その時に私が見たのと同じ、1/50000地形図をただなぞって作った時点の路線データだ。 地図のズームが初期状態であれば、結構マシな線に見えるかもしれないが、「+」ボタンでズームレベルを上げていくと、その線が地形図の等高線などお構いなく山の斜面を縦横無尽に突っ切るさまが見られるようになる。
笑止千万、これでは全く使い物にならない。 元にした地形図の古さや1/50000という縮尺の粗さから、元々その精度には期待しておらず、かなりの補正が必要だろうとは思っていたが、手直しを加える程度でどうにかなるレベルではなかった。 念のためもう一方の「宇和嶋」(1933) で同様の手順を踏んでみても、結果は五十歩百歩だったから、地形図の精度が相当悪いのではないだろうか。
 
ここで一旦はこの路線のデータ作成を断念しかけたのであるが、色々と調べていくと、愛媛県総合科学博物館のウェブサイトの「博物館研究報告」からたどれる資料目録のうち 「愛媛県総合科学博物館 研究報告 第3号[平成10年3月発行]」の中に「宇和島鉄道及び愛媛鉄道に関わる鉄道遺産」という記事のPDF文書があり、そこで予土線の旧線区間について書かれているのを発見。
特に両端の務田駅付近と宇和島駅付近のほか、途中の椿谷橋梁付近の計3箇所については、詳細な地図に旧線の線路が示されていたから、その線形をコピーさせて頂くことにした(目視による作業なので大まかに、にはなるが)。
とはいえ全く情報がない区間のほうが圧倒的に長く、そういった区間は現行線とほぼ変わりがなかったと仮定して路線データを再構成し、一応の形には仕立てたのであるが、 現行線と変わりがないという根拠が何かしらあった訳ではなく、単に私が決めつけたというだけだから、もはや「創作」に近い作業ですらあり、胸を張って出せる代物には全くなっていない。 このことから、作成したデータは上のマップでも実線ではなく破線で表記して、信頼性が低いことを窺えるようにはしておいたつもりだ。
 
この路線については、さらなる情報が得られないか、今後も引き続き気に懸けておくこととしたい。

─── 以上 ───

 目次のページに戻る