航空写真で楽しむ全国廃線マップ : 草軽電気鉄道線


大きな地図を別ウインドウで開く

■基本データ
路線名  : 草軽電気鉄道線
廃止区間 : 新軽井沢 - 草津温泉
運営   : 草軽電気鉄道
営業キロ : 55.5km
廃止日  : 1962/02/01
途中駅数 : 19

■コメント
国鉄/JR由来の廃線ではないが、趣味の山登りの際に路線跡を横断したことがあって、いくらか身近な存在に感じる路線なので例外的に収録対象とした。
 
路線データについては、独自作成が未着手なので、国土交通省「鉄道時系列データ」をほぼそのまま表示させている。
 
また、ほかの路線では Wikipedia を元に表示している途中駅の位置も、この路線では国土交通省「鉄道時系列データ」の駅データ情報を利用して表示させることにした。 というのも、Wikipedia の「草軽電気鉄道」を見ても大半の途中駅は位置が明らかにされていなかったからだ(2025/10/11現在)。
ところで国交省の駅データでは、なぜか湯沢駅にだけ「駅位置推定」との注釈が付けられていたので、上のマップでも「湯沢(推定)」という表示にしておいたが、 のちに地形図を入手した時そこに湯沢駅だけが載っていないと分かって、国交省データが推定するしかない事情が察せられたのだった (入手した地形図として下に挙げているのは1/50000地形図の「輕井澤」(1952) だが、湯沢駅が載るものがないかと別の縮尺(20万地勢図など)も含め開業時まで年代を遡って全地形図を確認してみたが、その全てに湯沢駅は載っていなかった。これでは位置の知りようがない)。 Wikipedia によれば「夏期のみ営業の臨時駅」だったらしく、それが地形図に描かれなかった原因なのかもしれない。
 
21ある駅のうち、起終点の新軽井沢駅と草津温泉駅に、国境平駅と北軽井沢駅を加えた計4駅だけは、事前の予備調査で位置を少し精査したので、国交省の駅データを使わずに、かなり有力と思われる独自の位置を示している。 ただし、それによって国交省の時系列データが示す線形と駅の位置とが乖離することになったため、それぞれの駅からごく近い範囲に限っては線形についての調査も合わせて行っており、路線がきちんと駅の位置を経由するように補正を加えた。 またその過程で、終点の草津温泉駅に新旧2つの位置があることが分かり、それらの駅の中間という中途半端なあたりまでとなっていた国交省データの線形を少し延長して、より先にあった新駅の位置まで繋げさせている。
 
なお、草津温泉駅の移転については、以下の記事を参考にさせて頂いた(というか、2025年10月現在、詳しく書かれた記事はほぼこれしかない、という状況に思われる)。
  「草軽電鉄の記憶: 草津温泉駅の謎(1)」から始まる一連の記事
    (「草軽電鉄の謎」というカテゴリーで、(2)~(4)および(補遺)と題された記事も閲覧できる。(1)には駅周辺の詳細な地図も添えられている)
 
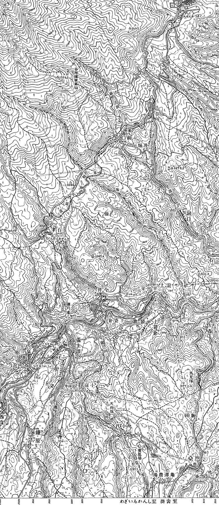
私が自力でできることといえば、地形図を入手することくらいだろうか。今後の路線データ作成に備えて、必要になりそうな3種類の地形図を先行して入手済みなので、以下に示しておくことにした。 いずれの地形図も、下には相当に縮小したものを並べているため、画像をクリックすると大きめのものも見られるようにしてあるが、原寸に近い大きさでの公開は許されないので、それでもサイズをかなり抑えている。
 
[1] 1/50000地形図「輕井澤」(1952) [2] 1/50000地形図「草津」(1952) [3] 1/50000地形図「草津」(1960)
  この路線の南半分(新軽井沢駅~吾妻駅の先まで)   この路線の北半分(吾妻駅の先~草津温泉駅)   この路線の北半分(上州三原駅~草津温泉駅)
  ※1960年に新軽井沢~上州三原間が廃止されたため、
 上州三原駅から先の区間だけが描かれている
せっかく地形図を入手したので、予め気になっていたところだけ、ちょっくら先に見ておくことにする。終点・草津温泉駅の描かれ方と、この路線に3箇所あるスイッチバックが国交省データにどう反映されているかだ。
 
●草津温泉駅の描かれ方の違い
   地形図の1952年版と1960年版とでは、駅の位置がすっかり変わっていた。これは、その間の8年間に駅の移転があったことを示すのか、もっと前に
移転していたものがようやく1960年版になって反映されたのか、どちらだろう?
ちなみに前出の一連の記事の中にある「草津温泉駅の謎(4)」によれば、1950年には新駅の写真が既にあるらしいので、きっと後者なのだろう。
[1] 1/50000地形図「草津」(1952) [2] 1/50000地形図「草津」(1960)

●二度上駅のスイッチバック
   2段階のスイッチバックがあった駅だが、国交省データの線形はスイッチバックのうち1回分が急曲線に変えられている。
当初は国交省データが誤りを描いたものと思っていたが、地形図を見たら地形図もそうなっていたから、恐らくは地形図由来の
線形であり、どうやら国交省データに非はなさそうだ。
[1] Wikipedia の路線図 [2] 国交省「鉄道時系列データ」の線形 [3] 1/50000地形図「輕井澤」(1952)
※[2][3]とは上下の向きが逆

●東三原駅のスイッチバック
   こちらも2段階のスイッチバックがあった駅だが、国交省データの線形もスイッチバックに限って見ればそれらしくは描かれていて、まずは及第点というところだろうか。
ただ線形全体としては、どちらの地形図を元にデータ化したにしても、あまり似ていない角度で線が描かれているように思われて、なんか適当感が拭えない。
[1] Wikipedia の路線図 [2] 国交省「鉄道時系列データ」の線形 [3] 1/50000地形図「草津」(1952) [4] 1/50000地形図「草津」(1960)
※[2][3][4]とは上下の向きが逆

●万座温泉口駅のスイッチバック
   駅への出入りにスイッチバックを要する駅だったが、国交省データはそれを完全に無視してひとつづきの線を描いてしまっている。
 ([2]の図中には国交省の駅データが万座温泉口駅だとする地点も合わせて示した)
しかし地形図は正しい線形をきちんと描いており、それを真面目に模すればこうならないはずなので、国交省データお得意の捏造気質がここでも発揮されてしまったようだ。
ほかでもない、国が公開する権威あるデータなのに、なんでこんないい加減なモノを作っちゃうかなぁ。。。
[1] Wikipedia の路線図 [2] 国交省「鉄道時系列データ」の線形 [3] 1/50000地形図「草津」(1952) [4] 1/50000地形図「草津」(1960)
※[2][3][4]とは上下の向きが逆

結構時間も手間もかけてしまったが、事前調査と下準備はここまで。今後は入手した地形図を元に、路線の線形と駅の位置を精査して、より精度の高いデータの完成を目指したいと考えている。
ただ廃止時期がやや古い路線だけに、参照できる地形図に1/50000縮尺のものしかないことがネックになるかもしれない。 ほかの路線での経験上、古くて精度も粗い1/50000の地形図は、「カシミール3D」に取り込んで位置合わせを行っても、なかなか現在の地形図とうまくは重ならず、どうしても位置から曖昧さを取り除き切れない場合が多いのだ。
さらに、このエリアでは公開されている航空写真が、廃止からかなりの年数を経た1974-1978年の1点だけしかないことも困難さを深めている。 北部ではその航空写真でも路線の痕跡とみられるものをある程度追うことができるが、早くに廃止された上州三原駅以南になると、すっかり森に還っている場所が大半で、航空写真もあまり頼りになりそうな気がしない。 個別の空中写真になら、現役当時に撮られたものもありそうだが、個別の写真となると1枚ごとに位置合わせが必要になるし、その際に目印として使えそうな目標物に乏しい山の中が多くを占める路線だけに、それもまた難しそうである。
将来のことを今から心配しても仕方ないが、まこと前途多難でどうなることやら。。。

─── 以上 ───

 目次のページに戻る